Zum Hauptinhalt der Seite springen

Sie haben eine Frage? Wir helfen Ihnen gerne weiter!

Schnellbestellung 0
VDI-Halter DIN69880 B2A-40x25x44 Produktbild img1 S
VDI-Halter DIN69880 B2A-40x25x44 Produktbild img1 L

VDI-Halter DIN69880 B2A-40x25x44

Wilke
Artikelnummer:3037430009
EAN:4030456045313
Hersteller ID:4126654

wenige auf Lager
LagerVerfügbarkeit
Zentrallager

wenige auf Lager

Gewöhnlich lieferbar in 1 - 3 Tagen
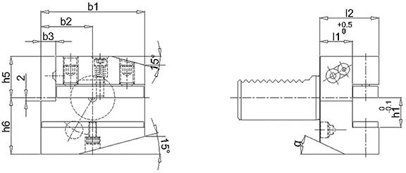
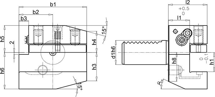
Form B2A, links, mit innerer Kühlmittelzufuhr

Ausführung: Radial-Werkzeughalter links, kurz. Schaft und Anlagefläche gehärtet und geschliffen, Kühlmittelübergabebohrung Typ AQUA-G® für Werkzeuge mit Innenkühlung, einfachverzahnt, Anschluss für externe Kühlung G1/8“, bis 80 bar kühlmitteldicht.

Anwendung: F ür Werkzeughalter mit Innenkühlung Reduzierung von h1 auf den nächstkleineren Wendeplattenhalter mit Unterlegplatte möglich.

Allgemeiner Hinweis: VDI-Werkzeughalter für CNC-Drehmaschinen bestehen aus Vergütungsstahl mit einer Festigkeit von ca. 900 N/mm², einer Härte von 56 ± 2 HRC und einer Härtetiefe von mind. 0,5 mm. Zudem verfügen alle VDI-Werkzeughalter über einen Zylinderschaft h6 mit innerer Kühlmittelzufuhr und verstellbaren Kugelschlitzdüsen. Schaft und Anlagefläche gehärtet und geschliffen mit Kühlmittelübergabebohrung. Weitere Ausführungen auf Anfrage.



Hersteller: Wilke Zerspanungstechnik GmbH, Eschborner Str. 4, 65824 Schwalbach / Ts., DE, +49619650360, info@wilke-tools.de